昂科烧录器支持上海贝岭的电可擦除可编程只读存储器BL24C512A
芯片烧录领导者昂科技术在发布全新版本烧录软件的同时,正式宣布进一步拓展兼容芯片的型号覆盖版图,公司旗下核心产品——通用烧录平台AP8000,目前已实现与上海贝岭的电可擦除可编程只读存储器BL24C512APA的全面适配。
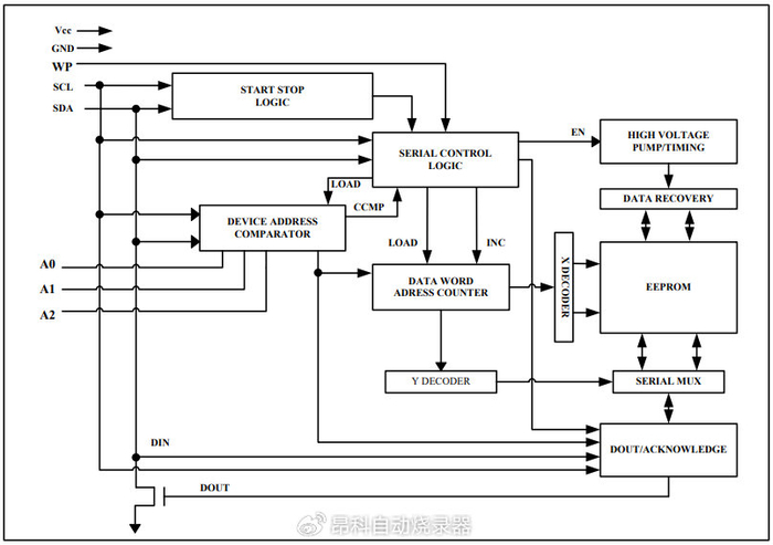
BL24C512APA提供了524,288位的串行电可擦除可编程只读存储器(EEPROM),这些存储器被组织成65,536个8位字。该设备特别适合在需要低功耗和低电压操作的工业和商业应用中使用。
BL24C512APA还提供了一个额外的页面,称为识别页(128字节)。识别页可用于存储敏感的应用参数,这些参数可以(稍后)永久锁定在只读模式下。

特征
兼容所有IC双向数据传输协议
存储器阵列
– 512Kbits(64Kbytes)的EEPROM
– 页面大小:128字节
– 其他可写入锁定页面
单一电源电压和高速
– 1MHz
随机和顺序读取模式
写入
– 字节写入需在3毫秒内完成
– 页面写入需在3毫秒内完成
– 允许部分页面写入
为硬件数据保护设置写入保护Pin
施密特触发器,用于噪声抑制的滤波输入
高可靠性
– 耐久性:400万次写入循环
– 数据保留:100年
增强ESD/闩锁保护
– HBM 8000V
8引脚PDIP/SOP/TSSOP/UDFN封装

昂科技术自主研发的AP8000万用烧录器,已成为行业内具有标杆意义的专业烧录解决方案。该设备支持灵活可调的一拖一及一拖八配置模式,并提供在线、离线双工作模式,尤其针对eMMC、UFS等存储芯片开发了专属烧录方案,可全面覆盖上海贝岭全系列芯片的裸片离线烧录与在板烧录需求。AP8000采用主机、底板、适配座三大核心模块的创新模块化设计,赋予设备出色的兼容性与扩展能力。作为通用型烧录平台,其不仅能适配市场上各类可编程芯片,更以稳定高效的性能表现,成为昂科自动化批量烧录设备IPS5800S的核心组件,可高效处理大规模芯片烧录任务,满足量产需求。

AP8000主机具备灵活的连接方式,同时配备USB和NET接口,可实现多台编程器的便捷组网。通过组网功能,用户能够轻松实现多台编程器的同步控制,高效开展并行烧录作业。在安全性方面,主机内置智能安全保护电路,可实时监测芯片放置状态与电路连接情况,一旦检测到芯片反插、短路等异常,将立即触发断电保护机制,全方位守护芯片和编程器的安全运行。主机内部搭载高速FPGA芯片,大幅提升数据传输与处理效率,确保烧录过程流畅高效。为增强使用便捷性,主机背部设置SD卡槽,用户只需将PC端生成的工程文件存储至SD卡,并插入卡槽,即可通过编程器实体按键完成文件选择、加载与烧录操作,实现脱离PC的独立运行。这一设计不仅降低了对计算机硬件配置的依赖,还简化了工作环境搭建流程,显著提升操作灵活性。
在扩展性与兼容性上,AP8000采用底板与适配板模块化组合设计,有效拓展主机功能边界。目前,该设备已实现对全主流半导体厂商产品的支持,覆盖SK hynix, Micron, SANDISK, ASR, Kingston等知名品牌。其支持器件类型广泛,涵盖NAND, NOR, MCU, CPLD, FPGA, EMMC等,并全面兼容Intel Hex, Motorola S, Binary, POF等多种行业标准文件格式,为用户提供一站式、全场景的芯片烧录解决方案。